无障碍
您现在所在的位置 : 首页 > 汕头市生态环境局 > 政务公开 > 通知公告
分享到:
汕头市生态环境局 汕头市工业和信息化局关于发布汕头市2025年第一批依法应实施清洁生产企业名单的通知
  • 2025-05-13 15:57:53
  • 来源: 汕头市生态环境局
  • 发布机构:汕头市生态环境局
  • 【字体:    

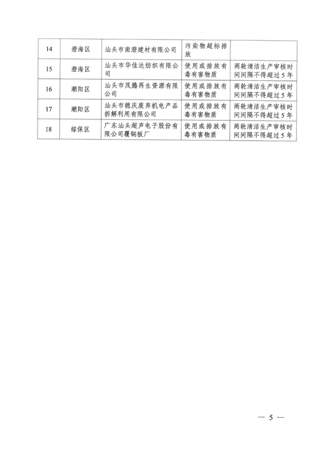
关于发布汕头市2025年第一批依法应实施清洁生产企业名单的通知 conv 1.jpeg关于发布汕头市2025年第一批依法应实施清洁生产企业名单的通知 conv 2.jpeg关于发布汕头市2025年第一批依法应实施清洁生产企业名单的通知 conv 3.jpeg关于发布汕头市2025年第一批依法应实施清洁生产企业名单的通知 conv 4.jpeg关于发布汕头市2025年第一批依法应实施清洁生产企业名单的通知 conv 5.jpeg

相关稿件
扫一扫在手机打开当前页

主办:汕头市人民政府办公室   承办:汕头市政务服务中心    联系我们   网站地图
网站标识码:4405000014   备案号:粤ICP备05066684号-1  粤公网安备 44051102000227号

您访问的链接即将离开“汕头站点名称”门户网站,是否继续?

- -